Отсек батарейный BH640, 4хАА (с проводами, закрытый), 1 штука

Характеристики
| Изолированн. | Нет |
| Тип компонента/запасной части | Монтажный корпус |
Описание
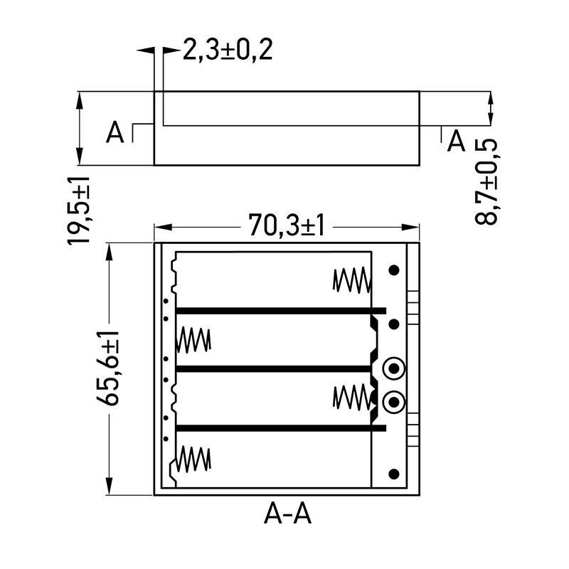
Батарейный отсек (держатель батареек) закрытого типа для четырех батарей типоразмера АА с контактными проводами предназначен для подключения питания в различном оборудовании (в том числе в бытовых устройствах, игрушках и радиоуправляемых моделях). В целях ускорения и удобства монтажа держатель выполнен с двумя проводами (красного и черного цвета) длиной по 15 см, т. е. не требует пайки контактов. Окончания проводов подготовлены для дальнейшего монтажа: зачищены и облужены оловом. Суммарное напряжение при использовании 4 батареек на 1.5 В составит 6 В.
Технические характеристики:
Количество элементов: 4
Тип устанавливаемых элементов: АА «пальчиковая батарейка»
Корпус: закрытый c выключателем (OFF-ON)
Материал: АБС пластик
Цвет: черный
Габаритные размеры: 68х64х18 мм (подробнее см. схему)
Контакты: провод красный (+) 150 мм, провод черный (-) 150 мм
Сечение провода: 0.13 мм² (AWG26)
Температурный диапазон: -40...+105 °C
Производитель
Noname
Характеристики
| Изолированн. | Нет |
| Тип компонента/запасной части | Монтажный корпус |
Документация
Сертификаты
-(pdf, 326.58 KB)





